Ремонт Фольцваген Пассат: Электрические схемы VW Passat B3
Ремонт Фольцваген Пассат : Электрические схемы VW Passat B3

Блок управления, потенциометр дроссельной заслонки, топливные форсунки и датчик положения дроссельной заслонки. Блок управления, система зажигания и топливная система.
Блок управления системой впрыска дизельного двигателя 1Z. Блок управления системой впрыска Digifant Блок управления системой впрыска Digifant, датчик положения дросельной заслонки и датчик температуры охлаждающей жидкости.
Блок управления системой впрыска Digifant, топливные форсунки и клапан оборотов холостого хода. Фольксваген пассат б3 схема индикатор. Генератор, стартер, подогрев впускного коллектора и система впрыска топлива.

Блок управления, датчик положения дроссельной заслонки, топливные форсунки и выключатель положения дроссельной заслонки. Блок управлениялямбда-датчик, система зажигания и топливная система. Двигатель ADZ. Блок управления системой впрыска Simos, система зажигания, датчик скорости и датчик детонации.

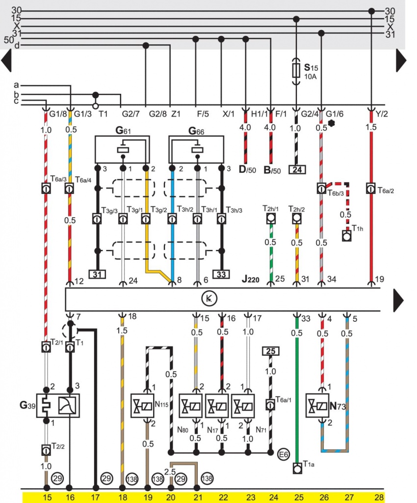
Топливная система. Cхема 3. Система управления двигателем Digifant. Cхема 4. Система управления двигателем Digifant окончание. Cхема 5. Комбинация приборов и датчики Cхема 6.

Комбинация приборов и датчики продолжение Cхема 7. Комбинация приборов и датчики продолжение. Cхема 8.
Электрические схемы Фольксваген Пассат Б3
Комбинация приборов и фольксваген пассат б3 схема окончание Cхема 9. Подсветка номерного знака и переключатель освещения, подогрев сопел омывателя ветрового стекла Cхема Освещение салона Cхема Фары и габаритное освещение Cхема Указатели поворота и аварийная сигнализация Cхема При покачивании элемента хорошо было видно движение его ножек в центре пайки.
Если осматривать невооруженным взглядом и не заметить Фотоотчет Симптомы неисправности в моем случае: Через пару недель стартер стал крутить через раз, с каждым днем все труднее было завести машину. Переключатели освещения, подсветка номерного знака, подогрев сопел омывателя ветрового стекла. Противотуманные фары и лампы заднего хода.

Двигатель 2Е Электрическая схема Вентилятор радиатора и отопителя. Электрические стеклоподъемники.
Схема электрооборудования автомобиля Volkswagen Passat GL
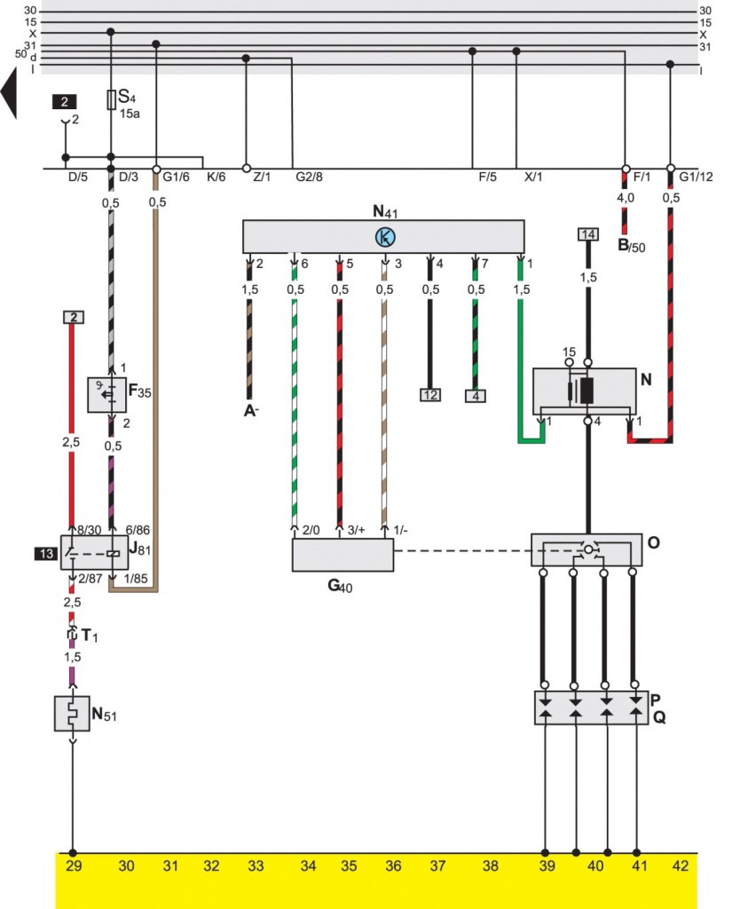
Система центральной блокировки. Зеркало с электрическим приводом. Очиститель и омыватель заднего стекла. Датчик минимального уровня охлаждающей жидкости, комбинация приборов давления масла. Счетчик указателя уровня топлива и температуры. Многофункциональный индикатор и датчики индикатора.

Система зажигания, блок управления Digifant и датчик детонации. Блок управления Digifant, лямбда-датчик и топливные форсунки. Устройство запуска холодного двигателя. Двигатель KR Электрическая схема Система зажигания.

Стабилизация оборотов холостого хода. Топливная система и датчики температуры охлаждающей жидкости.
Volkswagen Passat B3 & | Электрические схемы & | Фольцваген Пассат
Стабилизация оборотов холостого хода.
VW Passat B3 vs ВАЗ 2110-НЕМЦЫ ПРОТИВ РУССКИХ ! ЧО КУПИТЬ ЗА 100 Тысяч рублей ?!
Блок управления Digifant, Лямбда-датчик и топливные форсунки. Символы на электрических схемах 1.

Все электросхемы, размещённые на сайте, собраны из свободных источников и предназначены исключительно для ознакомительных целей. …

Система питания топливом Digifant. Система зажигания, БЭУ системы Digifant, датчик детонации -все модели до г.

Обогрев заднего стекле, двухтональный звуковой сигнал -все модели до г. Двигатель 2Е Электрическая схема Генератор и стартер дизельного двигателя AFN.

Вентилятор радиатора и отопителя. Зеркало с электрическим приводом. Очиститель и омыватель заднего стекла. Датчик минимального уровня охлаждающей жидкости, комбинация приборов давления масла. Счетчик указателя уровня топлива и температуры.
Многофункциональный индикатор и датчики индикатора. Система зажигания, блок управления Digifant и датчик детонации.

Блок управления Digifant, лямбда-датчик и топливные форсунки. Устройство запуска холодного двигателя. Двигатель KR Электрическая схема Стабилизация оборотов холостого хода. Топливная система и датчики температуры охлаждающей жидкости. Топливная система Mono-Jetronic и Лямбда-датчик. Система зажигания и подогрева впускного коллектора Mono-Jetronic. Топливная система и датчик температуры охлаждения жидкости KE-Motronic. Система впрыска топлива KE-Motronic, блок управления, датчик детонации и Лямбда-датчик.
Система впрыска топлива KE-motronic и самодиагностика.

Двигатель PF и PB августа г. Система питания топливом и Лямбда-датчик.

Двигатель RP с августа г. Приборная панель, тахометр, указатели уровня топлива и температуры охлаждающей жидкости -все модели до г.

Универсальный показывающий прибор MFI — все модели до г. Выключатель и датчик прибора MFI — все модели до г. Подсветка перчаточного ящика, прикуриватель, подсветка багажника, радио, подсветка пепельницы, подсветка бокса для хранения аудиокассет — все модели до г. Фары головного свата и габаритные огни -все модели до г.

Указатели поворота, аварийная сигнализация, огни парковки все модели до г. Указатели поворота, стоп-сигналы, задние фонари — все модели до г. Переключатель света, подсветка номерного знака, подсветка задней пепельницы — все модели до г. Передние и задние противотуманные фонари, фонари заднего хода — все модели до г.
Обогрев заднего стекла, двухтональный звуковой сигнал -все модели до г. Обогрев заднего стекле, двухтональный звуковой сигнал -все модели до г. Многофункциональный индикатор и датчики индикатора 2.
Система зажигания и блок управления Digifant и датчик детонации. Блок управления Digifant, лямбда-датчик, и форсунки.
where a sound signal on the vw passat b3
Устройство запуска холодного двигателя. Топливная система и датчики температуры охлаждающей жидкости.
Топливная система Mono-Jetronic и Лямбда-датчик. Система зажигания и подогрева впускного коллектора Мono-Jetronic. Топливная система и датчики температуры охлаждающей жидкости Ke-Motronic.
Система впрыска топлива Ke-Motronic, блок управления, датчик детонации и Лямбда-датчик. Система впрыска топлива KE Motronic и самадиагностика Генератор, аккумулятор, стартер и замок зажигания. Система питания топливом и Лямбда-датчик. Система зажигания и подогрева впускного коллектора ДвигательPR.
Форум владельцев Volkswagen Passat B2
Меню навигации
- Форум
- Участники
- Правила
- Поиск
- Регистрация
- Войти
Пользовательские ссылки
- Активные темы
Информация о пользователе
Электрическая схема
Сообщений 1 страница 30 из 95
Поделиться109.10.2011 22:43
- Автор: CY.
- Царь. Просто Царь.

- Откуда: Магнитогорск
- Зарегистрирован : 01.10.2011
- Приглашений: 0
- Сообщений: 2012
- Уважение: +389
- Пол: Мужской
- Возраст: 35 [1986-08-19]
- Провел на форуме:
4 месяца 21 день - Последний визит:
Сегодня 14:30

Поделиться209.10.2011 22:48
- Автор: CY.
- Царь. Просто Царь.

- Откуда: Магнитогорск
- Зарегистрирован : 01.10.2011
- Приглашений: 0
- Сообщений: 2012
- Уважение: +389
- Пол: Мужской
- Возраст: 35 [1986-08-19]
- Провел на форуме:
4 месяца 21 день - Последний визит:
Сегодня 14:30
То же самое в архиве:
Поделиться307.06.2012 00:19
- Автор: PASSABEST
- Активный участник

- Откуда: Питер
- Зарегистрирован : 19.02.2012
- Приглашений: 0
- Сообщений: 361
- Уважение: +22
- Пол: Мужской
- Провел на форуме:
9 дней 15 часов - Последний визит:
13.09.2020 15:17
Тоже самое только цветное. Делал по легенде указанной на первой странице.








Отредактировано PASSABEST (07.06.2012 00:21)
Поделиться418.12.2012 18:53
- Автор: slavuta
- Участник
- Откуда: Украина, Славута
- Зарегистрирован : 27.11.2012
- Приглашений: 0
- Сообщений: 55
- Уважение: +3
- Пол: Мужской
- Возраст: 61 [1959-10-24]
- Провел на форуме:
2 дня 9 часов - Последний визит:
07.12.2020 15:10
спасибо! давно искал цветную, сам с иностранными языками не очень, а теперь все понятно
Поделиться512.02.2013 22:25
- Автор: CY.
- Царь. Просто Царь.

- Откуда: Магнитогорск
- Зарегистрирован : 01.10.2011
- Приглашений: 0
- Сообщений: 2012
- Уважение: +389
- Пол: Мужской
- Возраст: 35 [1986-08-19]
- Провел на форуме:
4 месяца 21 день - Последний визит:
Сегодня 14:30
Схема KE Jetronic

Поделиться622.02.2013 23:41
- Автор: Demon-39-
- Новичок
- Зарегистрирован : 22.02.2013
- Приглашений: 0
- Сообщений: 24
- Уважение: +0
- Провел на форуме:
4 часа 33 минуты - Последний визит:
03.12.2016 18:56
Подскажите пожалуйста, поменял блок предохранителей вроде все по цветам соеденил, а заводиться перестала, и на щитке приборов при включении зажигания загорется индикатор поворотов при этом сами повориты не срабатывают при включении, и походу искра пропала, может кто может подсказать где возможно просмотреть схему желательно цветную или распиновку штекеров
Поделиться723.02.2013 19:36
- Автор: elektro
- Старожил

- Откуда: Нальчик
- Зарегистрирован : 07.10.2011
- Приглашений: 0
- Сообщений: 7524
- Уважение: +1096
- Пол: Мужской
- Провел на форуме:
3 месяца 7 дней - Последний визит:
Вчера 23:50
после 83 г машинка совпадает с гольф-2. http://www.golf2club.com/index.php?s=35 … owforum=13 — для доступа к FAG надо региться
еще : http://vwts.ru/vw_golf2_19e.html — ет если по первому посту не можешь разобраться.скорее всего разьем недовоткнул или согнул какой-то контакт в БРП.За зажигание отвечают провода черного цвета
Отредактировано elektro (23.02.2013 19:42)
Поделиться823.02.2013 21:06
- Автор: Demon-39-
- Новичок
- Зарегистрирован : 22.02.2013
- Приглашений: 0
- Сообщений: 24
- Уважение: +0
- Провел на форуме:
4 часа 33 минуты - Последний визит:
03.12.2016 18:56
спасибо, только машина у меня 81 г. и фотку старого блока предохранителей не могу разместить.
Поделиться923.02.2013 21:17
- Автор: elektro
- Старожил

- Откуда: Нальчик
- Зарегистрирован : 07.10.2011
- Приглашений: 0
- Сообщений: 7524
- Уважение: +1096
- Пол: Мужской
- Провел на форуме:
3 месяца 7 дней - Последний визит:
Вчера 23:50
Dgippo кажись менял блок/проводку на новый образец — постучи ему (хоть в личку)
Поделиться1024.02.2013 10:10
- Автор: Demon-39-
- Новичок
- Зарегистрирован : 22.02.2013
- Приглашений: 0
- Сообщений: 24
- Уважение: +0
- Провел на форуме:
4 часа 33 минуты - Последний визит:
03.12.2016 18:56
Поделиться1124.02.2013 13:37
- Автор: Dgippo1
- Модератор

- Откуда: Смоленская обл.
- Зарегистрирован : 12.11.2011
- Приглашений: 0
- Сообщений: 3235
- Уважение: +399
- Пол: Мужской
- Возраст: 46 [1974-12-20]
- Провел на форуме:
1 месяц 25 дней - Последний визит:
Вчера 08:30
Dgippo кажись менял блок/проводку на новый образец — постучи ему (хоть в личку)
плотно проводкой занималсяstrange у него была купеха 81 года со старым (не ножевым) блоком предохранителей. стучатся в личку .так как машинку он продал.
Поделиться1224.02.2013 14:23
- Автор: elektro
- Старожил

- Откуда: Нальчик
- Зарегистрирован : 07.10.2011
- Приглашений: 0
- Сообщений: 7524
- Уважение: +1096
- Пол: Мужской
- Провел на форуме:
3 месяца 7 дней - Последний визит:
Вчера 23:50
давно было — все не упомнишь.
по теме — донором взять гольф-2 проводку и все перекидать
Поделиться1326.02.2013 00:01
- Автор: Demon-39-
- Новичок
- Зарегистрирован : 22.02.2013
- Приглашений: 0
- Сообщений: 24
- Уважение: +0
- Провел на форуме:
4 часа 33 минуты - Последний визит:
03.12.2016 18:56
в любом случае спасибо что не отказали)))) у меня универсал, донором взял хечбек, по виду вся проводка один в один, ну есть пару ответвлений на доп аксесуары походу, ладно займусь пока подкапотной частью, там тоже после старого хозяина черт ногу сломит, ну и постепенно к панели приборов))) т.е. от обратного пойду. вопрос только а от самого щитка приборов может что либо глючить, давно еще со старой проводкой пропала индикация зарядки и загоралась лампа индикации поворотов, если горит значит точно не заведется, в предах пошевелю лампа поворотов потухнет и заводи смело, это со старой проводкой было, и контакты все поплавление были, заменил все опять лампа поворото на панели горит и опять не заводится, вот за щиток и спросил.
Электрооборудование автомобилей VOLKSWAGEN Passat B3 и B4

ДМРВ или ПНД VW PASSAT B3
Многофункциональный индикатор, датчик спидометра, датчик давления масла, датчик температуры охлаждающей жидкости дизельного двигателя AFN.

Предохранители» Volkswagen» Passat» Схемы электрооборудования VOLKSWAGEN PASSAT B3 Рейтинг дилеров Фольксвагена autovizov.ru с отзывами…

Комбинация приборов автомобилей с дизельным двигателем AFN продолжение. Символы на электрических схемах 1.

Двигатель 2Е Электрическая схема Двигатель RP с августа г.
Осмотрите контактные кольца на конце вала генератора г Механическая или электрическая неисправность электродвигателя стартера.

Чтобы проверить аккумулятор, включите передние фары, если они не потускнели за несколько секунд, то это говорит о том, что аккумулятор разряжен — зарядите или замените его.
Если свет горит ярко, попробуйте включить стартер, наблюдая за светом.

Если он тускнеет, значит, к стартеру подводится питание и причина неисправности лежит в самом стартере. Если же свет не тускнеет и не слышно щелчка втягивающего реле , значит неисправна внешняя цепь стартера или втягивающего реле — см. Если при включении электродвигатель стартера вращается медленно, но аккумулятор в исправном состоянии, значит, либо неисправен стартер, либо несанкционированно повысилось сопротивление питающей цепи.

Тщательно зачистите контакты и присоедините аккумулятор и всю проводку, затем, вольтметром или пробником проверь те, что напряжение аккумулятора идентично напряжению на контактах втягивающего реле, и что на контактах втягивающего реле хорошая масса. Нанесите смазку на нефтяной основе на клеммы аккумулятора для зашиты их от окисления,так как наиболее частой неисправностью электрооборудования является окисление контактов.

Система питания топливом и Лямбда-датчик. Система зажигания и подогрева впускного коллектора ДвигательPR. Система зажигания, блок управления Digifant, датчик детонации.

Блок управления Digifant, Лямбда-датчик и топливные форсунки. Система питания топливом Digifant. Генератор, стартер, подогрев впускного коллектора.
Блок управления, потенциометр дроссельной заслонки, топливные форсунки и датчик положения дроссельной заслонки.

Блок управления, система зажигания и топливная система. Блок управления системой впрыска дизельного двигателя 1Z. Система впрыска топлива KE-Motronic, блок управления, датчик детонации и Лямбда-датчик. Система впрыска топлива KE-motronic и самодиагностика. Двигатель PF и PB августа г. Система питания топливом и Лямбда-датчик.
ДМРВ или ПНД VW PASSAT B3
Двигатель RP с августа г. Система зажигания и подогрев впускного коллектора. Система зажигания, блок управления Digifant, датчик детонации. Блок управления Digifant, Лямбда-датчик и топливные форсунки.
читать онлайн, скачать, купить
Система питания топливом Digifant. Блок управления, потенциометр дросельной заслонки, топливные форсунки и датчик полодения дросельной заслонки.

Блок управления, лямбда-датчик, система зажигания и топливная система. Блок управления системой впрыска дизельного двигателя 1Z с г. Блок управления системой впрыска Digifant, система зажигания, датчик детонации, датчик температуры охлаждающей жидкости и потенциометр CO. Двигатель 2Е с г.
Поиск по сайту
Блок управления систеомй впрыска Digifant, датчик положения дросельной заслонки и датчик температуры охлаждающей жидкости Двигатель 2Е с г. Система центральной блокировки окончание Cхема Зеркало заднего вида с электрическим приводом Cхема Система впрыска топлива Mono-Jetronic.
Система впрыска топлива Mono-Jetronic окончание.

Система управления двигателем KE-Motronic. Система управления двигателем KE-Motronic продолжение. Система управления двигателем KE-Motronic окончание.
Двигатели PF и PB с августа г. Двигатель RP с августа г.

Система зажигания и подогрев впускного коллектора. Система управления двигателем Digifant продолжение. Двигатель 2Е с г.
